ハンディークリーナを購入
Panasonicのコードレスだけだと狭い場所の掃除が行き届かない、とのことでハンディタイプを購入。ヤマダ電機立川店で 10,323円でした。Shark EVOPOWER充電式ハンディクリーナーW20。
ホームベーカリーやオーブントースターを載せている 移動ラックの下にすっぽり収納できた。
Panasonicのコードレスだけだと狭い場所の掃除が行き届かない、とのことでハンディタイプを購入。ヤマダ電機立川店で 10,323円でした。左右クォータパネル面の塗装時に削り取られたパーツを修復しました。
turboストライプの品番は左右やモデル毎に種々ありましたが購入時点(2016年7月)では75994-60080-13の一種に整理統合されていました。
□位置決めをします。

V位置:モールディング上端からストライプ下端まで 200mm。
H位置:運転席側はリアランプから 43mm。助手席側は給油蓋から 20mm。
マスキングテープで位置を明示する。
台紙から剥がす時に風に煽られないように注意する。
□気泡を抜きます。

洗剤を数滴たらした水をスプレイ後スクレーパーを用いて空気を抜き平らに均しながら密着させる。
□裏紙を剥がす。

裏紙の剥がし痕やマスキングテープ跡の汚れを落とせば出来上がり。
仕上げとしてワックスを掛けて作業完了!
丁度1週間で退院してきた。

請求書 納車時 完成車
塗装屋さん曰く、「左右ウインカーのレンズが外れなかった」とのことですがマスキング処理して問題なく仕上がっていました。デントリペア専門店では 27,000円もの見積もりだった気になる出っ張りも平らに治っており左右のフロントドアパネルとリアドアパネルにたくさんあった小傷がなくなりツルツルになっていた。
サービスでいろいろ塗ってくれたようでまるでオールペンしたよう。
残念ながらマスキングか拭き取りの不具合か、霧状に白塗料が残っていた。

フロントガラス周辺のラバーはガソリンで拭き取れたが、ナンバープレート部の白い塗料は落ちない。後日塗装屋でんに持ち込んだら「ルーフ塗装時にサーフェサーがマスキングからはみ出した痕」とのことでコンパウンドとつや出しで綺麗に落としてくれた。
丁度 i3のタイヤ交換が終わっていたので雨が降る前に各種パーツを戻した。
・左リアとクオーターオーバーフェンダにPAD(61794-60030-C0)取り付け

パッドはワンサイズなのでクオータには 5mm短く、リアには200mm長い。ボディー面側にも部分的に両面テープが貼ってあったが使い方が判らないので剥がして保管。
・右クォータオーバーフェンダのクリップ心棒加工
左側同様に純正方式(クリップ)ではクリップを壊さないと外せないのでM6ダイスで螺子を切ってボルト止めにする。
・左右のクオータウィンドモールディング
買い置きの 75660-60020、75670-60020を取り付けたが両面テープの小片を剥がし忘れないように。
・ルーフバー取付け
元の位置に設置。前後2本の取付脚部は黒テープで養生する。
・再塗装オバフェンへのL型パッド貼り付け
JOYFUL本田で購入したU字型パッド(124円/50cm )を L字型に加工し純正PADから剥がした両面テープを流用。
・左右クオーターオバフェン取付け
クリップ留め箇所は左右とも将来の取り外しを考慮してM6ボルト留めに変更。
・左右リアバンパー取付け
車体下からの作業。暗いのでヘッドランプ必携。
年式やグレードで変更が多いし過去に左右とも事故で交換した経緯があり取り付け穴が無かったり位置が大きくずれている。

M5バネワッシャ(90467-04019?)脱落のため放置。 大きくずれたM12ボルト穴
・左右泥除け取付け

左右夫々 6,~7組のバネワッシャとタッピングを正常に固定しても奥の方が浮き上がってしまう。
・左リアオバフェンと内貼りパネル取付
ウェザーストリップ部分がかなり傷んできている。
・ジャッキ、三角表示器収納ケース取付け
収納ケースは例によって知恵の輪パズル。今でもどうやったか記述できない。
・左右リア内貼りパネルの取付け
左ジャッキ付近の内貼りクリップを交換
トノカバー関連のプラ成型部材は同じように見えるが左右微妙に異なるので注意。
・リアスカッフプレート取付け
・ベッド固定
**** 今日の作業はここまで。以下の作業は後日に予定 ****
最低気温が10℃を切る日が続くようになって来たので(一寸早いが時間が出来たので)スタッドレスタイヤへと交換しました。
夏タイヤ4輪とも小さいヒビはあるが残り溝は十分。ブレーキパッド、ディスク、配管、ブーツに異常は見当たりませんでした。
今回は交換時にローテーションを実施しました。 夏タイヤは前後のサイズが異なり且つ回転方向性があるのでローテーションは出来ませんが、冬タイヤも回転方向が決まっているが同一サイズでホイールデザインも無方向なので前後だけを入れ替えました。


高電圧システム絶縁エラーが生じていたようでEME~バッテリー間の高圧ケーブルを交換して改善できた。

218本植え付けた玉葱で傷んだ苗は数本だけの好成績。追肥と土寄せを励行。
春菊はそろそろ収穫可能。
サンチュとターツァイは悲惨な状態。



上から;


壊して抜いたグロメット(90189-06005 @70円)とクリップキャップ(90467-09077 @70円)。





親不知での風雨の早朝に時計表示が数字を表示しなくなった。リセットしたくてALMボタンを押したのかアラームが鳴り始めキーを抜いても鳴り続けるので始末が悪い。 藁おも掴む思いであれこれボタンを弄っているうちにアラームは止んでくれたが表示は回復せず。
取説の内容は
*アラーム機構はエンジンキー位置に関係なく作動する。
*ブザーは1分間鳴る。途中でとめたい時はいずれかのボタンを押す。
交換となると
純正(83910-60060)はなんと 43,000円! 中古オークションでも 9,000円もするので交換前に電源リセットを試した。
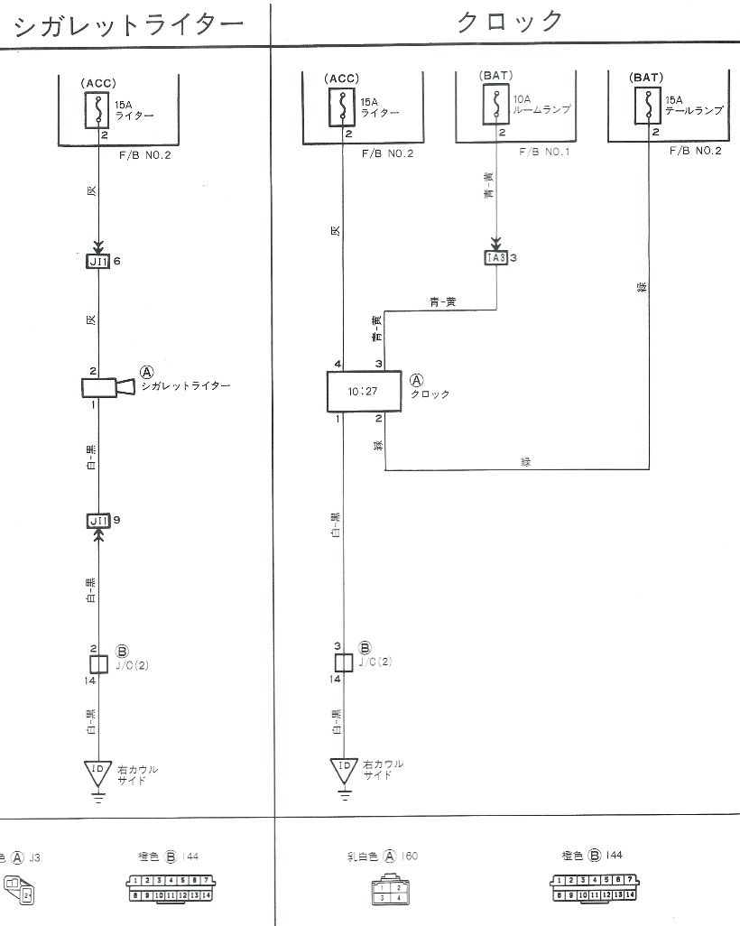
時計には 3種のFUSEから電源が来ている。
15Aライター: ACC位置で点灯
15Aテールランプ:夜間減光
10Aルームランプ:メイン電源
メイン電源のFUSEの抜き差しでリセットできたが、暴走の原因は不明。
ヒューズボックスNO1はエンジンルーム内の助手席側にあり黒いプラの蓋で防水対策されています。
10AルームランプFUSEは右端の下端。
英語では DOME light(室内灯)の意味でキーが入っていなくても使用する機器用の電源です。
ヒューズボックスNO2は運転手の右膝前にあり黒いプラの蓋で覆われています。
15Aライタと15AテールランプFUSEは左端の上の方。
(左)ヒューズボックスNO2に差し込まれていたフューズクリップ(82616-12010 @170円)は経年劣化で固化し使っている時に破損してしまいました。
(右)amazonから 97円(税・送込)で調達した代物は外形サイズが合わずホルダーにしっくりと収納できませんでした。

















