前回作ったSORDm5用ROM/RAMカートリッジの不具合を修正しV01L02としました。この基板は主にBASIC-IやBASIC-Gでのフリーエリア拡張を目的としています。ROMイメージについては自力でご用意ください。
V01L02
仕様:
・ROMカートリッジの8Kイメージを8つ、または16Kイメージを4つ格納可能
・$8000~$FFFFに32KのRAMを拡張可能
ROMイメージ切り替え方法:
64Kバイトの27C512を4分割し16KバイトのイメージをSORD m5の$2000~$5FFFに割り当てる。この切替はDIP SWの[14][15]で行う。これらは27C512のアドレスA14,A15に対応し、ONで"0"、OFFで"1"となる。
8KバイトROMカートリッジのイメージは16Kバイトイメージの先頭部分を使用するが、DIP SWの[13R]をオンにすれば上位8Kバイトと下位8Kバイトを入れ替える。これにより最大8Kバイトのイメージを8つ格納できる。
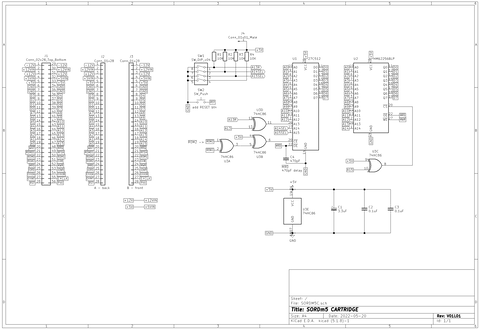
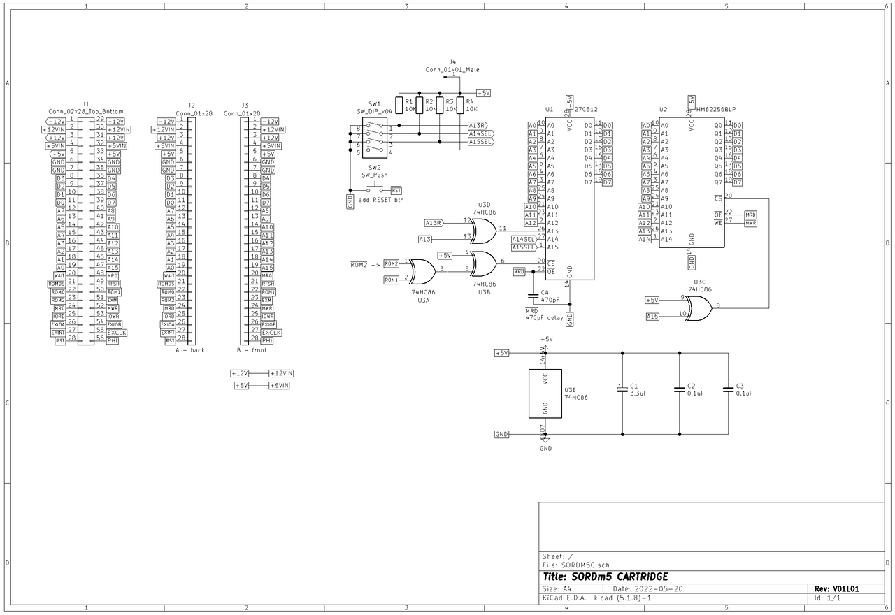
回路図:
V01L02
部品表:
U1 27C512用28ピンICソケット
U2 62256タイプ 32KバイトSRAM (28ピンICソケット)
U3 74LS86 または74HC86 (14ピンICソケット)
SW1 3P-DIPSW (4Pも可)
R1~R3 10KΩ (または集合抵抗RN4 10K)
C1 3.3uF16V 電解コンデンサ (3.3uF~10uF,16V~50V程度)
C2,C3 0.1uF 積層セラミックコンデンサ
C4... 未使用(*OEディレイ用470pF)
SW2... 未使用(リセットボタン)
※部品実装前にカードエッジの挿入する部分の角をヤスリなどで丸める(カードスロット端子保護のため)
V01L02の問題点:
SORD m5のネジ止め式カートリッジケースに収める場合はカードエッジ部分が0.5mmほどずれておりケースかカードエッジ側面を削る必要あり。
V01L03:回路図は変更なし。
・カードエッジ側面を削らなくてもケースにはいるようになった
・リセットスイッチを変更
・リセットスイッチを変更
boothにて配布予定です。
→販売開始しました。SORD m5用ROM/RAMカートリッジ基板
追記:
KiCad5による設計データとガーバーデータを公開しました。
@morecat_lab さんがカートリッジケースのデータを公開されました。ありがとうございます。
SORD m5 ROM/RAM cart enclosure (Thingiverse)



