試作したROM 2532-27512変換基板を改版しました。
試作V01L01からV01L02の修正点:
・スリム化
・2532のVppをVddに接続する端子を追加。これにより2732~27512に対応したROMライタなどで2532の読み出しが可能。
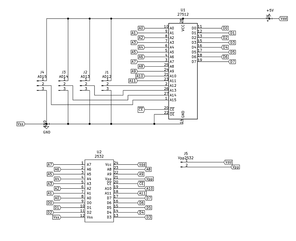
回路図
部品表:
・28ピンICソケット 中央に桟がないタイプ https://akizukidenshi.com/catalog/g/gP-06740/
・24ピン連結ソケット または12ピン1列連結ソケットx2 https://akizukidenshi.com/catalog/g/gP-01758/
・スライドスイッチ x4(任意) https://akizukidenshi.com/catalog/g/gP-12723/
はんだ付けは両面から行うためやや面倒です。まずICソケットをはんだ付けし、次に連結ソケットをはんだ付けするとうまくいきます。
2532 ROMを読み出す用途にも使用できます。この場合はVpp-Vddをショートし、24ピンICソケットと28ピン連結ソケットを使用してください。
boothにて配布予定です。
→販売開始しました。2532-27512変換基板セット2枚





この用途の場合 VccとVppのショートのみで良いかと思いますが如何でしょうか?