ぴゅう太用MSXジョイスティックアダプタと同じようにSORD m5用のMSXジョイスティックアダプタを作ってみた。
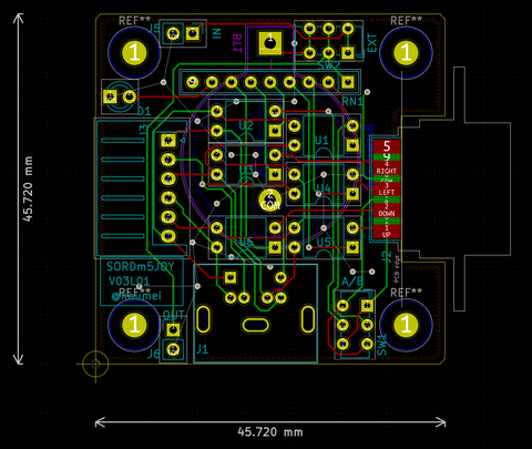
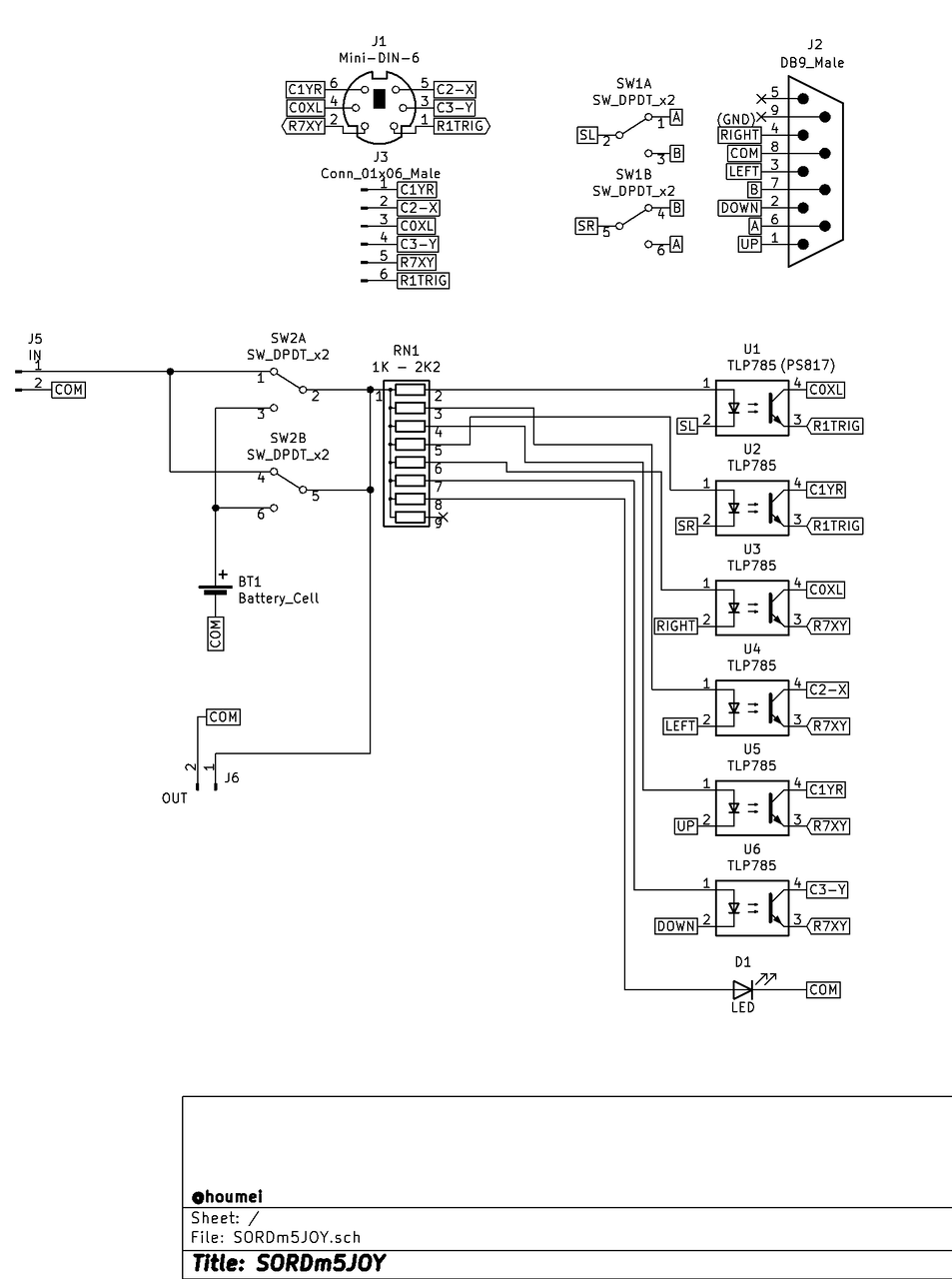
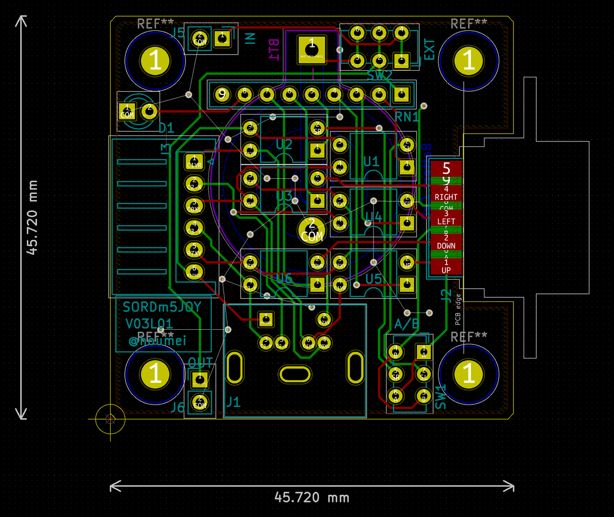
SORD m5のジョイパッド端子はmini-DIN 6ピンでL,Rの2つがある。上下左右とトリガ2つの6入力だが、これらはキーボードマトリックスの一部で2x4の構成になっている。MSXのコモン端子1つ、上下左右トリガ2つの構成はそのままでは接続できない。また、GNDも出ていない。そこでフォトカプラを使用し、MSXジョイスティックのボタンに対応する6箇所のキーをONにするような回路を考えてみた。フォトカプラのLED用に電源が別途必要になる。
フォトカプラは秋月電子で1個20円のPS817を使用したが今見たらもっと安いUPC817CGがあるな。
フォトカプラのLEDはCR2032のコイン電池(3V)で駆動、電流制限抵抗は集合抵抗。4.7kΩではジョイスティックの入力取りこぼしが頻繁にあった。2.2kΩで問題なし。
電源となるCR2032の電池ホルダは裏側から取り付ける。CR2032は220mAhとのことなので、フォトカプラ1つあたり1mAとしてざっと寿命を考えてみる。同時にオンになるフォトカプラは最大4個(トリガ2つとスティック斜め)。パイロットランプのLEDも1mAとして、220÷5=44時間。たまに遊ぶゲーム用途としては妥当じゃないですかね。
電源は電池の他に外部入力端子を用意している。2つのジョイスティックアダプタのうち片方はこれに接続して電池を省略できる。
さて、悩んだのがmini DIN 6Pの接続をどうするか、だった。コネクタはあるけどはんだ付けがたいへん。完成品の配布に関しては製作の工数をある程度まけているけど、これは難しい。
mini-DINコネクタを搭載できるようにしているが、mini-DIN 6P オスーオス ケーブルの入手が難しい。Aliexpressで探したがPS/2ケーブルのスプリッタ(キーボード/マウス)やDIN5P変換ケーブルしか見つからなかった。なぜかAmazonにはあった。
ということで配布に関してはケーブルの問題に悩みつつ基板のみとするかもしれません。
***
さてここからは開発の紆余曲折コーナーです。
当初は無電源でMSXジョイスティックをキーマトリクスの一部に組み込めないか考えてました。フォトカプラでオンオフ→フォトカプラのLED部分がオンオフできれば動くんじゃ?ということでキースキャンの駆動部(オープンコレクタ)からGND、受け側のプルアップ2.2kΩ〜5Vで電源が取れそうということで色々LTSpiceをこねくり回していました。
理屈の上では動くんですよ。ただし電源をキーマトリクスからもらった時点でそこに電流が流れ、導通状態になりキーが常にONになったような挙動になってしまう。永久機関は作れなかった。
基板まで作ってしまいバカの極み。まあトランジスタの勉強になったからいいか。








