FM-7/8活用研究、FM-7/11活用研究、FM-7/11活用研究第二集よりFM-7,FM-11,FM-77のモノクロビデオ信号部分について抜き出してみた。
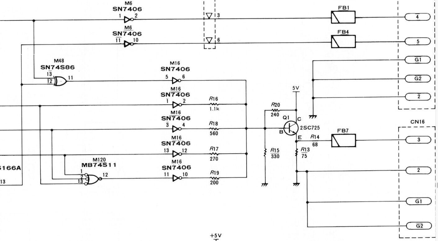
・FM-7。B/R/G信号から重みを付けてモノクロ8階調を作っている。内部的にはI(Intensity)もあるがジャンパオプション。
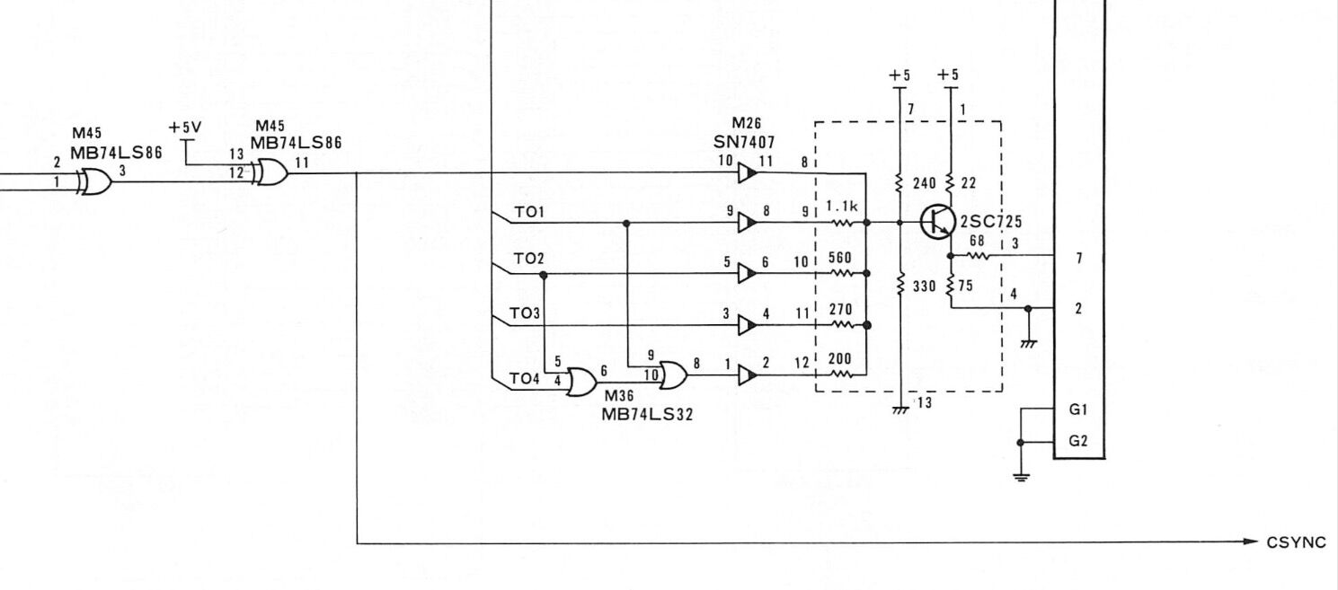
・FM-77もB/R/G/I対応だがデジタルRGB出力はR/G/Bのみ出力。Iはジャンパオプション。この回路はG信号を無視してI信号を使っている。誤記だろうか。
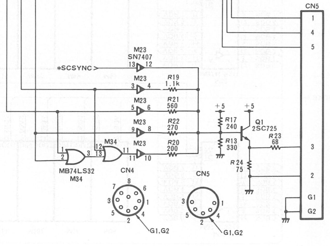
ということで調べた限りではRGBIの16階調対応モノクロ出力はなさそう。もし作ったとしてもFM-11は水平同期周波数24kHzで一般的なビデオ出力としては使えない(15kHzはあるけど200ライン)。


