SORDm5Cカートリッジ基板の後継となるSORDm5F V01L04カートリッジ基板が完成しました。
8KB/16KBのROMイメージに加えてBASIC-Fで使用する20KBのROMイメージに対応し、SI-5相当のシリアルインターフェースを追加します。
前回の記事:SORDm5F カートリッジの試作その3
仕様:
・64KB ROM(27C512)にROMイメージを格納。32KBを単位として2バンク使用。
バンクごとに以下の内容でROMイメージを設定する。
・16Kモード(EXMSEL=OFF) 16KBイメージx2 さらに16KBのイメージを8KB単位で入れ替え
・20Kモード(EXMSEL=ON) 20KBイメージx1 BASIC-F用
・$8000~$FFFFに拡張RAM 32KB
・シリアルインターフェース 6ピンTTLレベル入出力 USB-シリアル変換使用可能
・リセットスイッチ
設定:
・DIPスイッチ A15SEL / A14SEL / EXMSEL / A13R
A15SEL 32KB単位のバンクを切り替える。ROMのアドレスA15に対応。ON=0,OFF=1
A14SEL 16KモードでのROMのアドレスA14を切り替える。ON=0,OFF=1
A13SEL 16KモードでのROMのアドレスA13を入れ替える。ON=そのまま,OFF=入れ替える
EXMSEL ONで20Kモードを設定する。
20Kモード時、EXMSEL=ON,A14SEL=OFF,A13R=ON
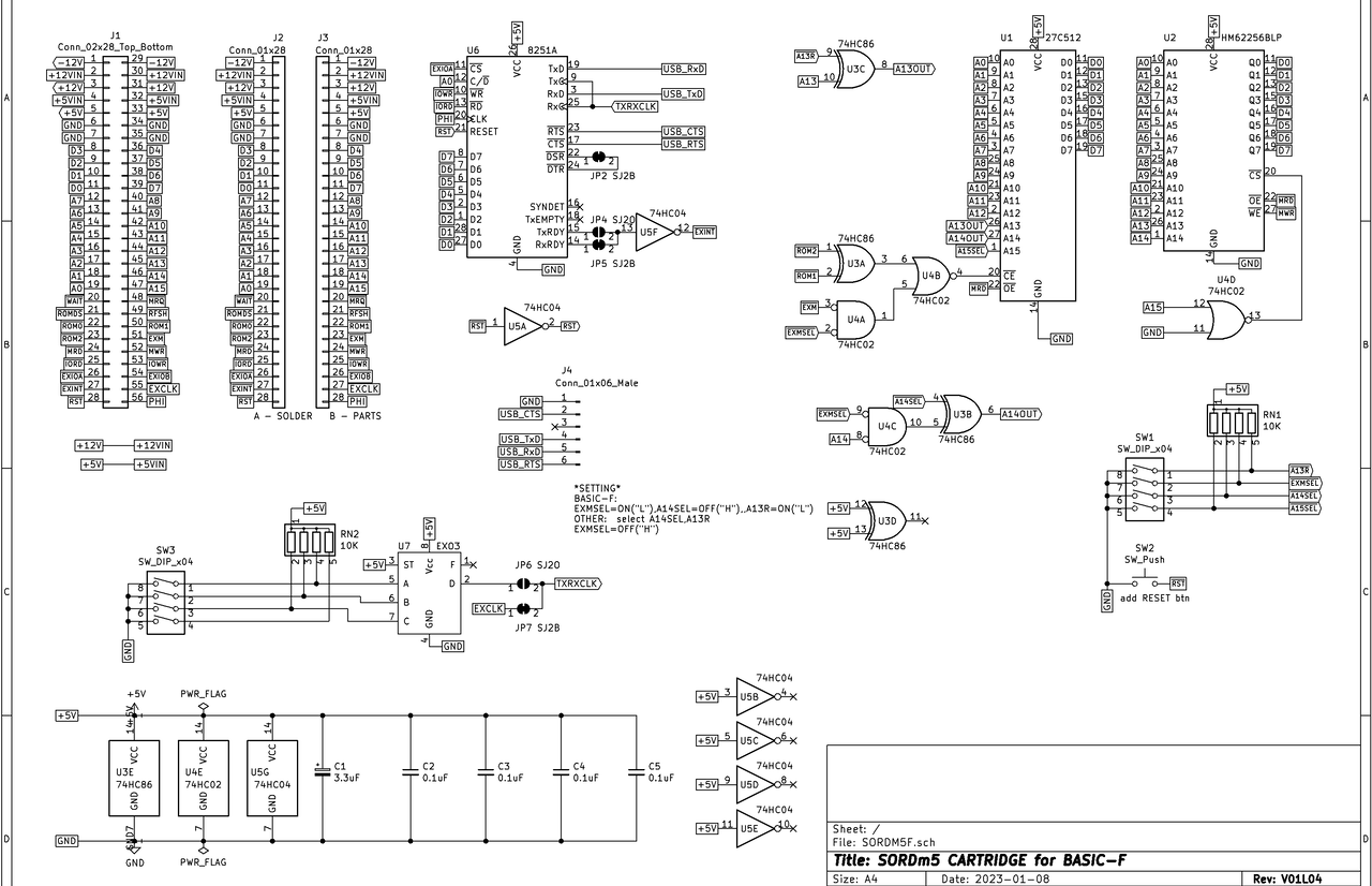
SORDm5F V01L04回路図
部品表
C1 - 3.3~10uF 10V以上 電解コンデンサ
C2,C4,C4,C5 - 0.1uF 50V積層セラミックコンデンサ
J4 - 6P L字ピンヘッダ
RN1 - 集合抵抗 10kΩx4
SW1 - 4P DIPスイッチ
SW2 - タクトスイッチ
U1 - 27C512 (28P ICソケット)
U2 - 62256 (28P ICソケット)
U3 - 74HC86
U4 - 74HC02
U5 - 74HC04
U6 - 8251A
・U1はWinbond W27C512、U2はNEC D43256AC-10L で確認
・U6は3.5MHz以上で動作するもの。MITSUBISHI M5M82C51AP で確認
・U3,U4はHCでもLSでも可ですがどちらかに揃えてください
・U5はHCでもLSでも可
・Cはすべて電源用、RはDIPスイッチのプルアップ用です。
ROMイメージ書き込み例
ROMアドレス
- - - - - バンク0 - - - - -
0000 - 1FFF 8K BASIC-I
2000 - 3FFF 8K m5terminal
4000 - 7FFF 16K BASIC-G
- - - - - バンク1 - - - - -
8000 - 9FFF 8K あき
A000 - EFFF 20K BASIC-F
F000 - FFFF 4K あき
作例1:シリアルI/Fを使わない場合はU5,U6,C5が省略できます。BASIC-GやBASIC-Fを実行したい場合はRAMが必要です。
作例2:フル実装
SORD m5での使用例。USB-シリアルインターフェースは設定が5V、上側がGNDになります。
SORD m5 Jr. での使用例。シリアルインターフェースはケースに干渉しません。
USBシリアルインターフェースは、USBケーブルの取り回しによっては引っ張られて外れやすくなります。
シリアルインターフェースをサポートしているのはBASIC-Fとm5terminalです。使用法については別記事で追加予定。設計データも公開しますのでしばらくお待ち下さい。





