PET2001Nは回路図にはDYNAMIC PETと書いてあってDRAMを使用してメモリ空間を32KB使用できる。
CBM3016では8Kx1bitのDRAMを8個、これを2バンク分で16個。奥がUI2~UI9で*CAS0に、手前がUJ2~UJ9で*CAS1に接続されている。CBM3032ではこれが16Kx1bitのDRAMになる。
8K品と16K品のDRAMの混在はできない。
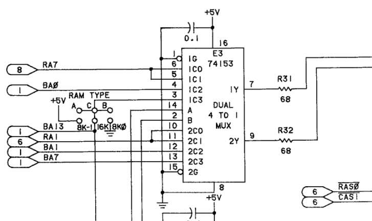
DRAMにアドレスを与える部分。RAM TYPEに8K-1/8K-0とあるのは何か?
この部分はリフレッシュアドレスと通常アクセスのアドレスを二分割で与えているので表にしてみた。
DRAMのA0の扱いが異なる。16Kx1 DRAMはバスアドレス13、8Kx1 DRAMは0または1。リフレッシュアドレスは同じだが、8Kx1品でも桁数が多い分には構わない。
8Kx1 DRAMのデータシートを調べると、A0に"L"を与えるものと"H"を与えるものがサフィックスによって区別されている。CBM3016に搭載されているMK4115-41のサフィックスはスピードグレードのような特性表示ではなかった。
ピンはコンパチだがMN5298についてはA0ではなくA5が"L"または"H"の設定。これではそのままMK4115-41と差し替えて使うことはできない。
1992年のメモリIC規格表を見ると、8Kx1 DRAMはIntel,Motorola,NS,TIしか作っていない。これが次世代の16x1 DRAMになると多数のメーカーが製造している。


