シュリンクDsub15ピン-RJ45の変換アダプタを作りました。
関連:
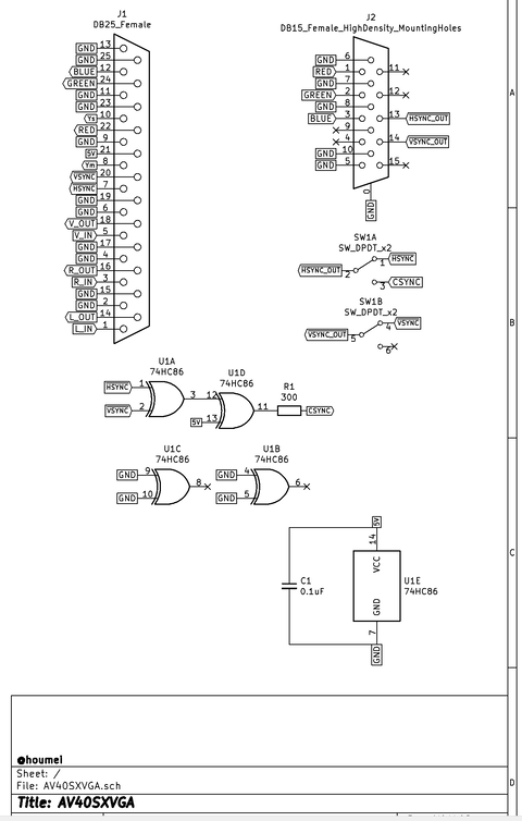
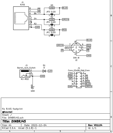
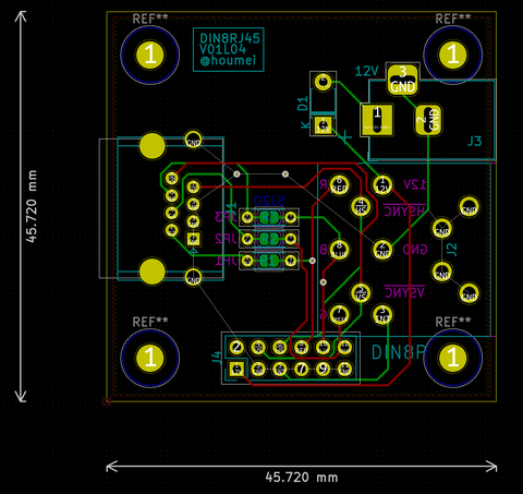
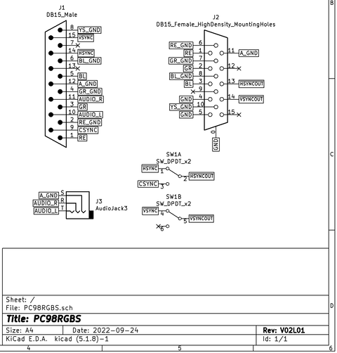
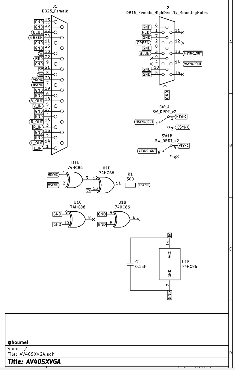
回路図
今回工夫したのはシュリンクDsub15ピンのフットプリントで、表面にメスコネクタ、ひっくり返して裏面にオスコネクタをはんだ付けできるように1ピン増やしたこと。VGAの規格を調べたら9ピンは+5Vになっている場合があるので対応するピンはカットしてはんだ付け。シルクにはその指示を入れている。実際はシュリンクDsub15ピンの基板取り付け用オスコネクタは入手難で、ここはジェンダチェンジャー(VGA延長アダプター)を使ったほうがよい。
だがもっというと市販のVGAエクステンダーを買ったほうが1個あたり500円で安く上がる。
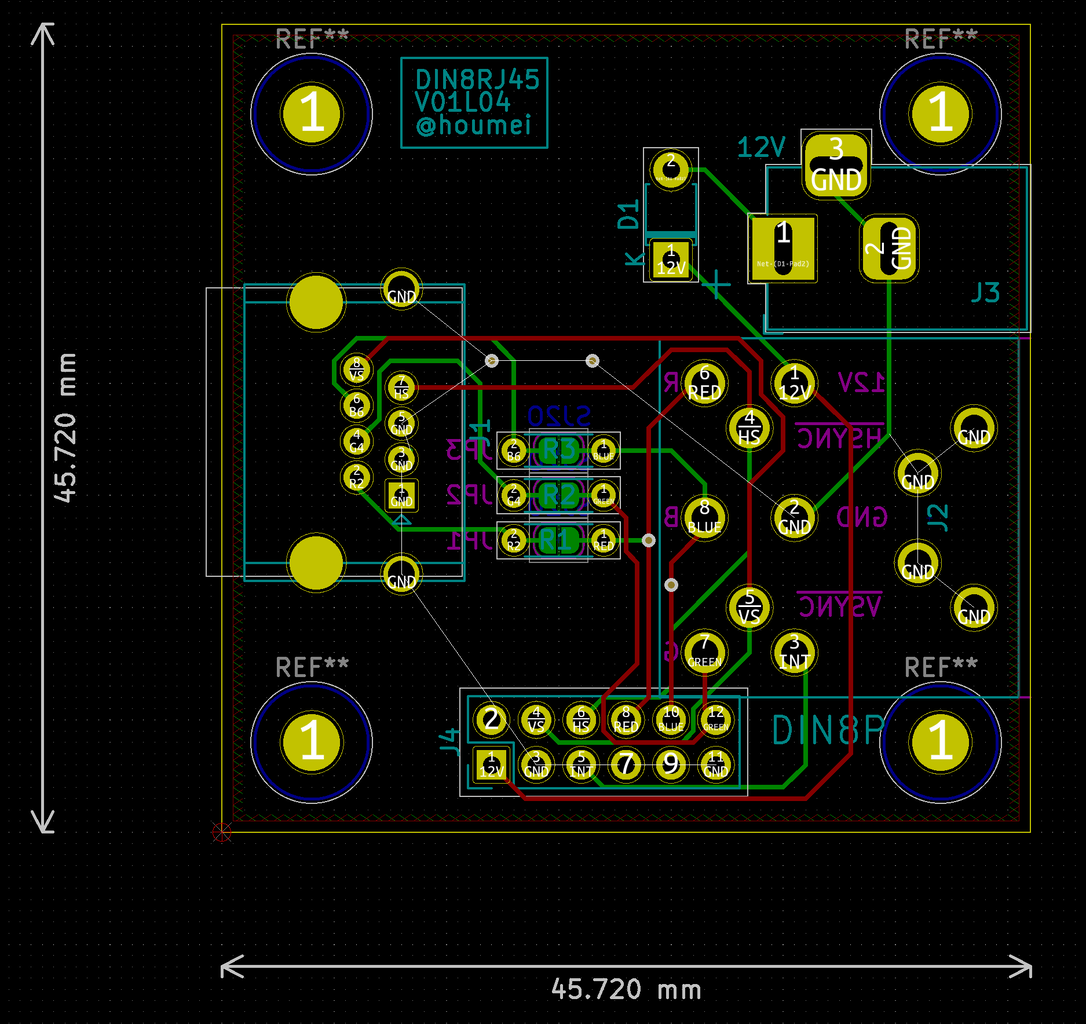
設計データ一式:














































































